Блок вызова на 1000 абонентов

Добавлено:
20 янв 2017, 14:58
Анатолий
Нужен блок вызова до 1000 абонентов с кнопочной панелью и возможностью установки видеокамеры с пинхол. объективом
Re: Блок вызова на 1000 абонентов

Добавлено:
20 янв 2017, 15:04
TheGoldMaster
Добрый день .
Опишите более подробно задачу , 1000 абонентов в одном подъезде ? какое кол во квартир на этаже ?
Re: Блок вызова на 1000 абонентов

Добавлено:
20 янв 2017, 15:26
Анатолий
У нас 9-ти этажный дом .Вход один. Нумерация 111, 112, 113,114, 121,122, 123,124, 131,132,133,134, 141,142,143,144, 151,152,153,154 -это первый этаж. На втором этаже 211,212,213,214............261,262,263,264. так далее включая 9 этаж.
Здание состоит из двух блоков ( 2 стояка ) Вызывная панель Сити- стандарт (кнопочная) без консъержа, с защищенными брелками.
Прошу Вас предложить вариант с цифровыми и с матричнокоординатными трубками .Укажите цену одной цифровой трубки. И в цифровом варианте рекомендованное сечение кабеля . Готов ответить на все вопросы.
город Нефтеюганск
Re: Блок вызова на 1000 абонентов

Добавлено:
20 янв 2017, 15:28
TheGoldMaster
В ближайшее время мы составим для вас схему подключения на оборудование Raikmann .
Re: Блок вызова на 1000 абонентов

Добавлено:
20 янв 2017, 16:08
TheGoldMaster
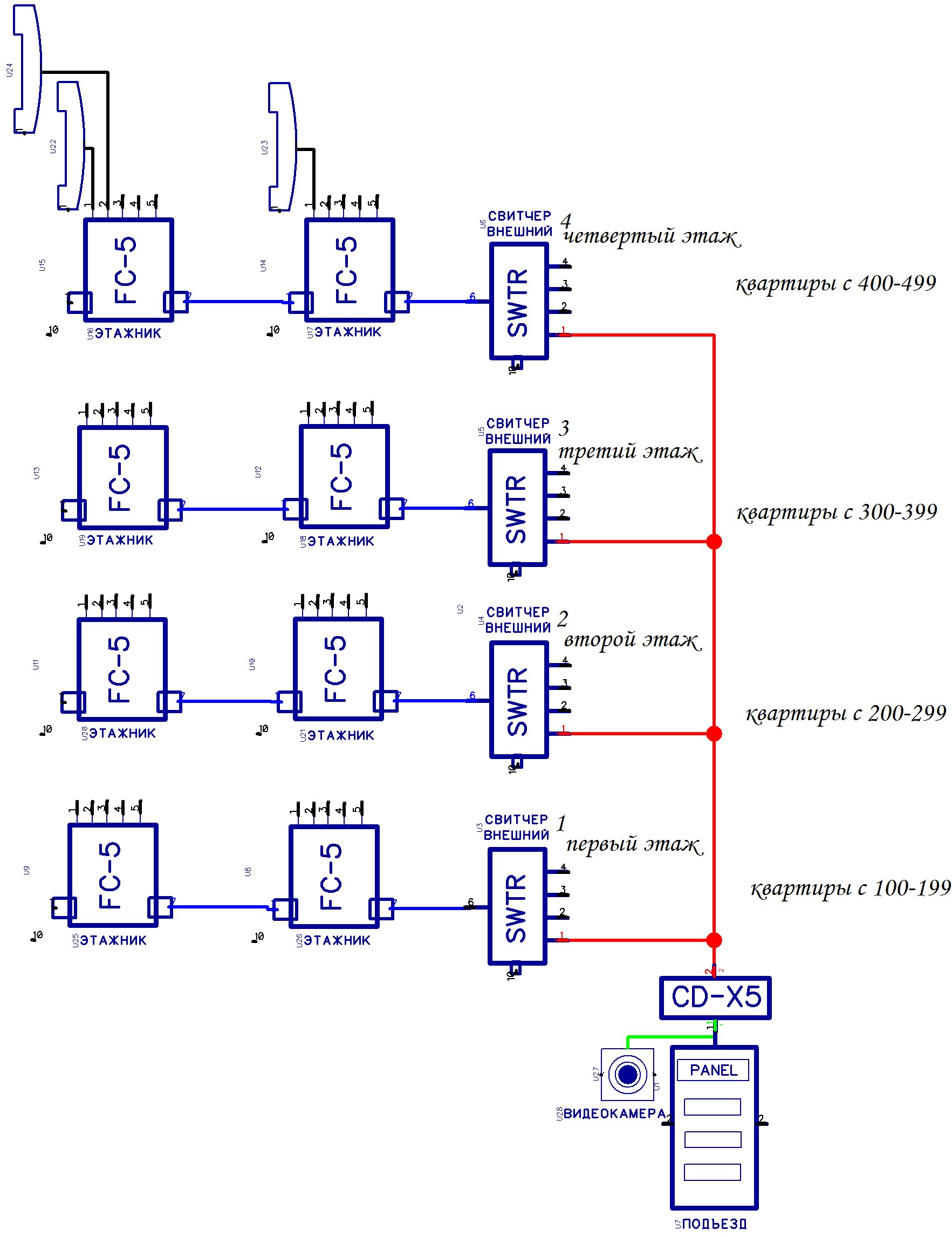
Вот схема подключения вашего объекта на 1000 абонентов на оборудовании Raikmann , основанное на свитчерах и этажных контроллерах .
На каждый Этаж ставится свитчер , который отвечает за 100 квартир этажа .

- Гостиничная нумерация 9 этажей.jpg (386.73 KiB) Просмотров: 4730