Здесь вы можете задавать любые вопросы, связанные с настройкой и обслуживанием оборудования Raikmann.
Модератор: Raikmann
Raikmann » 21 июн 2016, 08:38
Подъездная часть
- Вложения
-

- Схема подключения многоквартирного домофона (1).jpg (554.81 KiB) Просмотров: 337036
С уважением, администрация форума.
-

Raikmann
- Администратор
-
- Сообщений: 3
- Зарегистрирован: 21 июн 2016, 08:38
- Благодарил (а): 0 раз.
- Поблагодарили: 0 раз.
-
TheGoldMaster » 13 дек 2017, 15:31
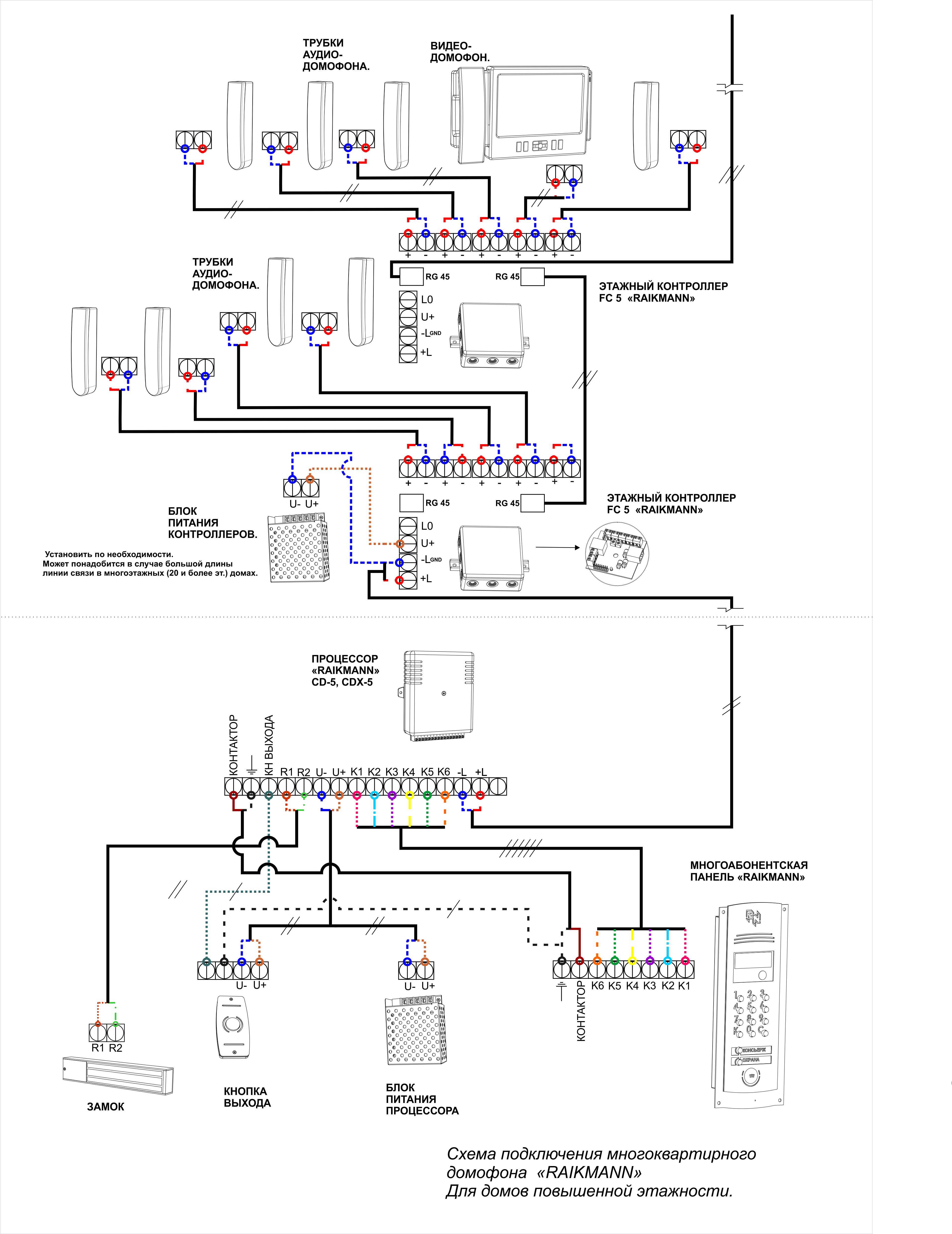
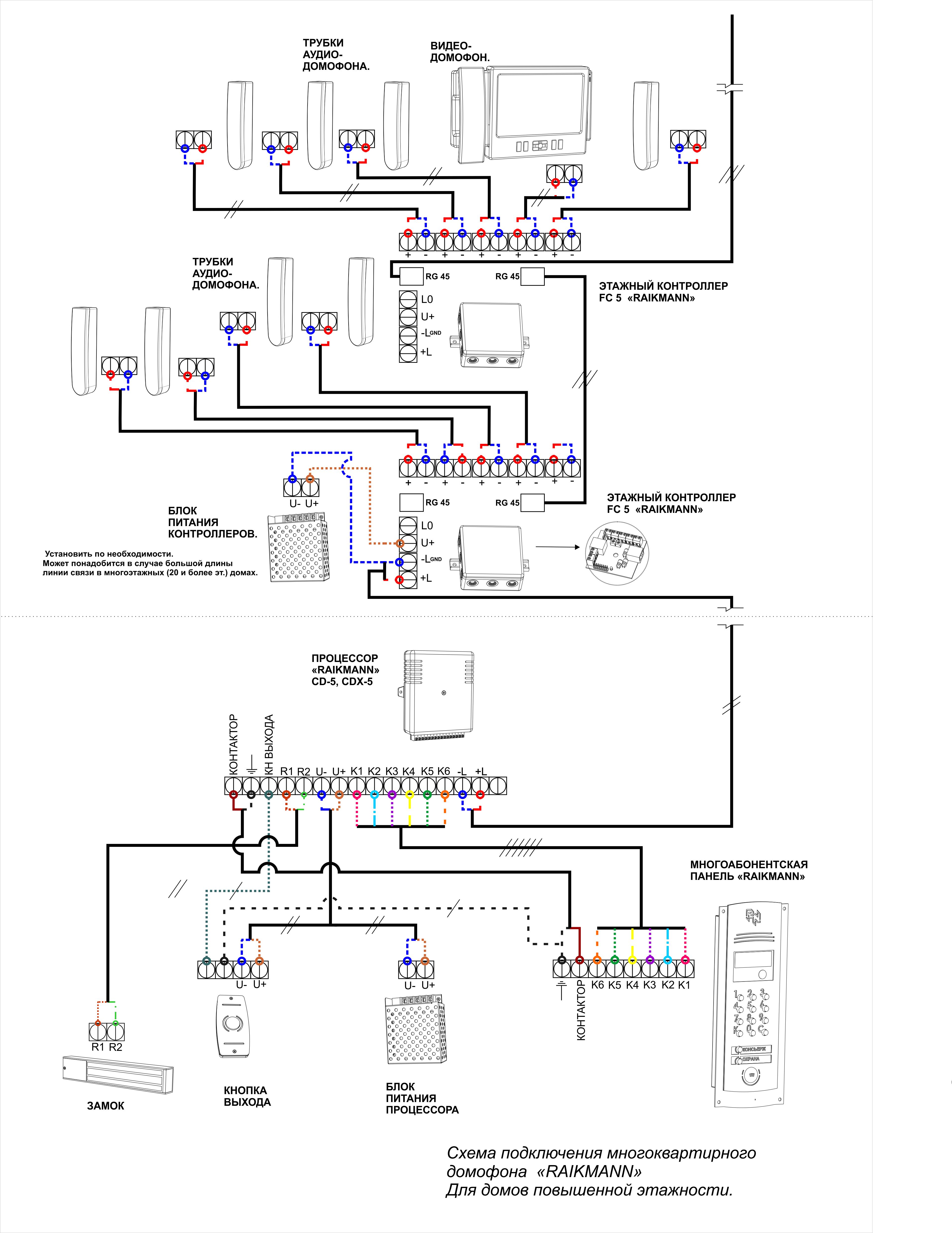
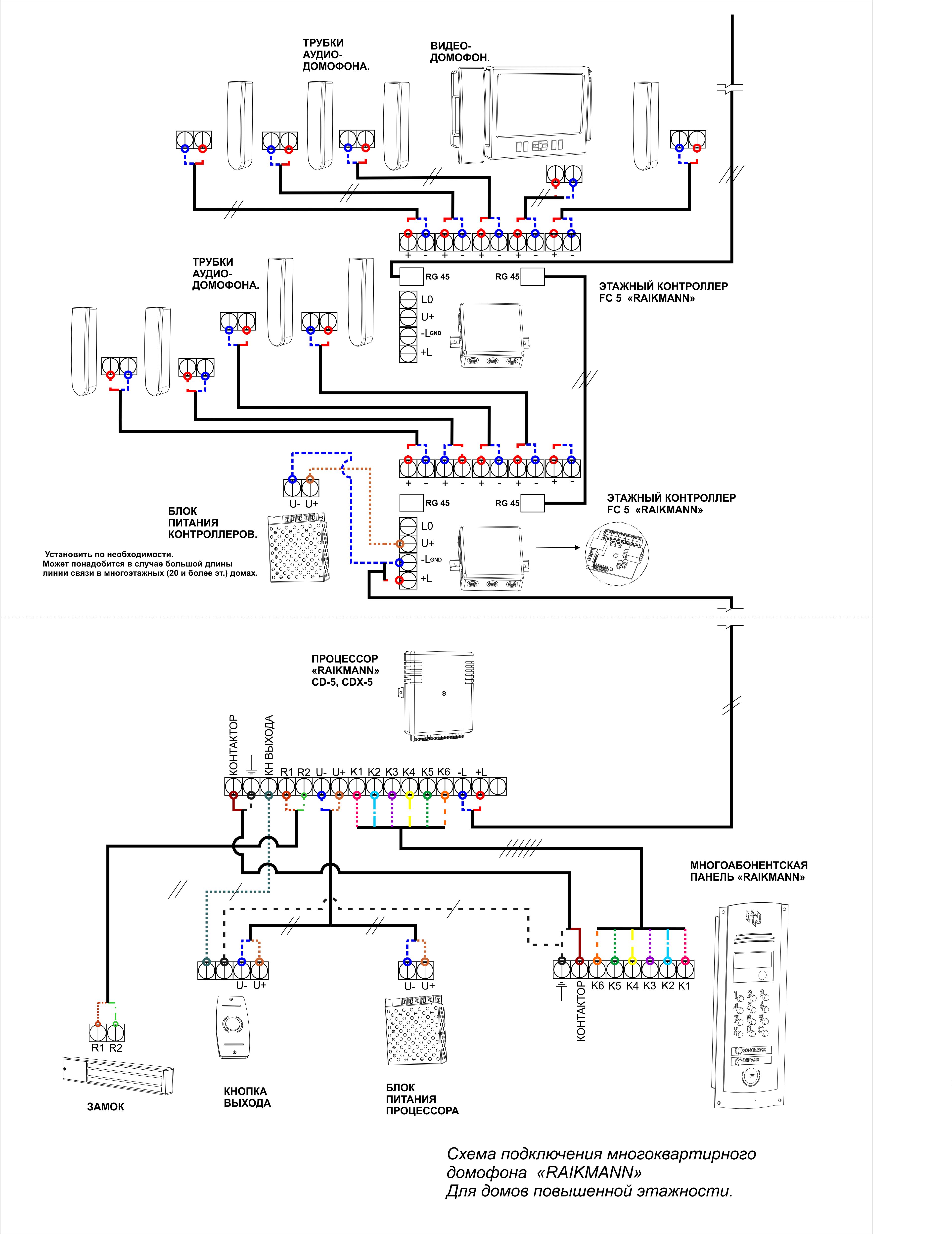
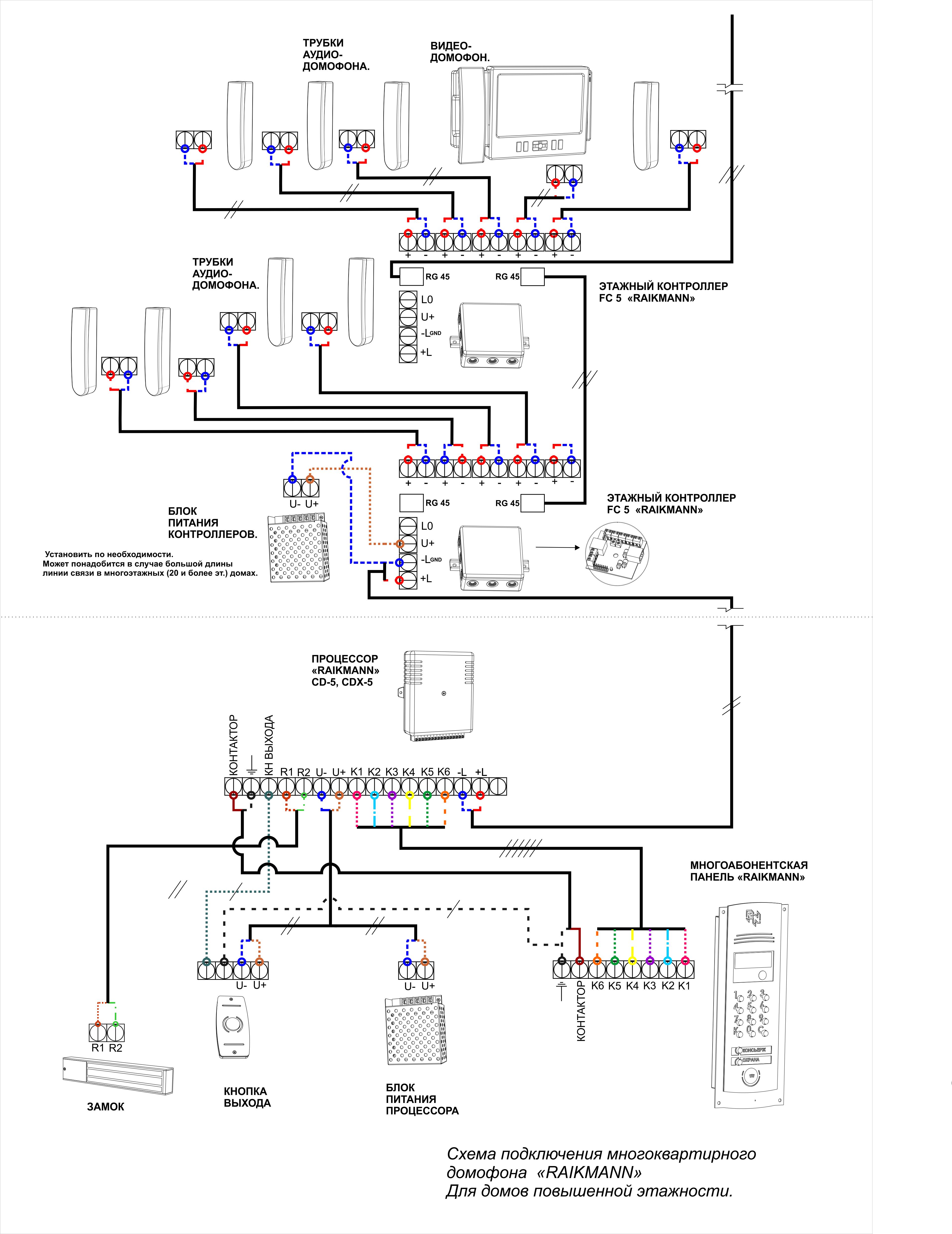
Схема подключения многоквартирного домофона повышенной этажности
- Вложения
-

- Схема подключения многокв. домофона повышенной эт (2).jpg (1.08 MiB) Просмотров: 337028
-

TheGoldMaster
-
- Сообщений: 249
- Зарегистрирован: 22 июн 2016, 10:32
- Благодарил (а): 0 раз.
- Поблагодарили: 0 раз.
Вернуться в ВОПРОСЫ И ОТВЕТЫ
Кто сейчас на форуме
Сейчас этот форум просматривают: нет зарегистрированных пользователей и гости: 23